| Item / Model | JBCP-50AX |
|---|---|
| R.P.M | 2900 ~ 3450 |
| Suction bore (mm) | 50 |
| Discharge bore (mm) | 40 |
| Stuffing box seal | THROTTLE BUSH or GLAND PACKING |
| Weight (kg) | 64 |

| PART NO | NAME OF PART | QUAT | MATERIAL CLASS | PART NO | NAME OF PART | QUAT | MATERIAL CLASS |
|---|---|---|---|---|---|---|---|
| 102.1 | VOLUTE CASING | 1 | CAST STEEL | 461.1 | PACKING | 4 | CARBON FIBER |
| 161.1 | CASING COVER | 1 | CAST STEEL | 502.1 | CASING WEAR RING | 1 | STAINLESS STEEL |
| 165.1 | JACKET COVER | 1 | CAST IRON | 507.1 | THROWER | 1 | NBR |
| 183.1 | SUPPORT | 1 | STEEL | 523.1 | SHAFT SLEEVE | 1 | STAINLESS STEEL |
| 210.1 | SHAFT | 1 | STAINLESS STEEL | 542.1 | THROTTLE BUSH | 1 | CARBON |
| 230.1 | IMPELLER | 1 | STAINLESS STEEL | 606.1 | BALANCE CASE | 1 | CAST STEEL |
| 321.1 | BALL BEARING | 1 | BEARING STEEL | 639.1 | OIL SIGHT GAUGE | 1 | PLASTIC |
| 321.2 | BALL BEARING | 1set | BEARING STEEL | 673.1 | AIR RELEASE FILTER | 1 | ALUMINUM+SS41 |
| 330.1 | BEARING HOUSING | 2 | CAST IRON | 727.1 | RETURN PIPE FLANGE | 1 | STEEL |
| 360.1 | BEARING COVER | 1 | CAST IRON | 861.1 | COUPLING HALF | 1 | CAST IRON |
| 382.1 | BEARING CASE | 1 | CAST IRON | 906.1 | EYE BOLT | 1 | STEEL |
| 400.1 | GASKET | 1 | NON ASBESTOS | 922.1 | IMPELLER NUT | 1 | STAINLESS STEEL |
| 400.2 | GASKET | 1 | NON ASBESTOS | 923.1 | BEARING NUT | 1 | STEEL |
| 400.3 | GASKET | 1 | OIL PAPER | 931.1 | BEARING LOCK WASHER | 1 | STEEL |
| 400.4 | GASKET | 1 | OIL PAPER | 932.1 | RETAINING RING | 1 | SPECIAL STEEL |
| 400.5 | GASKET | 1 | NON ASBESTOS | 936.1 | PLAIN WASHER | 1 | STAINLESS STEEL |
| 421.1 | OIL SEAL | 1 | NBR | 937.1 | SPRING LOCK WASHER | 1 | STAINLESS STEEL |
| 421.2 | OIL SEAL | 1 | NBR | 940.1 | IMPELLER KEY | 1 | STAINLESS STEEL |
| 452.1 | PACKING GLAND | 1 | CAST IRON | 940.2 | COUPLING KEY | 1 | CARBON STEEL |
HORIZONTAL SINGLE STAGE CENTRIFUGAL PUMP

| Item / Model | JSS -2015 | JSS - 2522 | JSS - 3237 | JS - 5055 | JS - 5075 |
|---|---|---|---|---|---|
| R.P.M | 2900 ~ 3450 | ||||
| Suction bore (mm) | 20 | 25 | 32 | 50 | 50 |
| Discharge bore (mm) | 20 | 25 | 32 | 50 | 50 |
| Stuffing box seal | MECHANICAL SEAL | ||||
| Weight GC (SUS) (kg) | 45(52) | 56(62) | 67(73) | 100(115) | 110(125) |

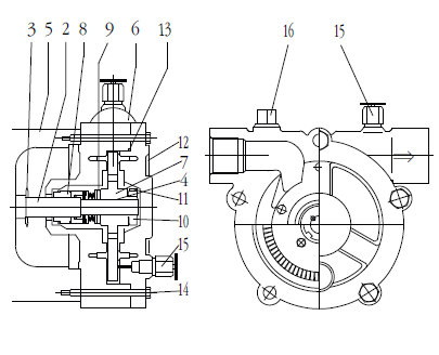
| PART NO | NAME OF PART | QUAT | MATERIAL CLASS | PART NO | NAME OF PART | QUAT | MATERIAL CLASS |
|---|---|---|---|---|---|---|---|
| 1 | MOTOR | 1 | GC20 | 9 | SPRING-SHOE | 1 | STS304 |
| 2 | SHAFT | 1 | STS304 | 10 | LOCK NUT / SNAPRING | 1 | STS304 |
| 3 | DEFLECTOR | 1 | RUBBER | 11 | LOCK-WASHER | 1 | STS304 |
| 4 | KEY | 1 | STS304 | 12 | COVER | 1 | STS304 |
| 5 | MOTOR FLANGE | 1 | GC20 | 13 | O-RING | 1 | VITON |
| 6 | CASING | 1 | STS304 | 14 | BOLT | 1 | SS41 |
| 7 | IMPELLER | 1 | STS304 | 15 | AIR VALVE | 2 | BC6 |
| 8 | MECHANICAL SEAL | 1 | SIC/CARBON | 16 | PLUG | 1 | BC6 |

HORIZONTAL SINGLE STAGE WESCO PUMP