| Item / Model | JVP-130B | JVP-131C | JVP-170B | JVP-171C | JVP-200C | JVP-210C |
|---|---|---|---|---|---|---|
| R.P.M | 1450 ~ 1750 | |||||
| Suction bore (mm) | 125 | 125 | 150 | 150 | 200 | 200 |
| Discharge bore (mm) | 125 | 125 | 150 | 150 | 200 | 200 |
| Stuffing box seal | GLAND PACKING or MECHANICAL SEAL | |||||
| Weight GC (BC) (kg) | 230(280) | 310(380) | 230(280) | 310(380) | 380(440) | 440(510) |

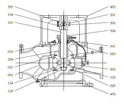
| PART NO | NAME OF PART | QUAT | MATERIAL CLASS | PART NO | NAME OF PART | QUAT | MATERIAL CLASS |
|---|---|---|---|---|---|---|---|
| 1 | CASING | 1 | GC20 | 28 | GLAND | 1 | BC6 |
| 2 | CASING COVER | 1 | GC20 | 31 | GLAND PACKING | 1set | SEMI METALLIC |
| 3 | FOOT COVER | 1 | GC20 | 40A | BEARING CASE | 1 | GC20 |
| 10 | IMPELLER | 1 | BC6 | 40B | BEARING CASE COVER | 1 | GC20 |
| 11 | PUMP SHAFT(WITH KEY) | 1set | STS304 | 41 | BEARING COVER | 1 | GC20 |
| 13 | BEARING NUT(WITH WASHER) | 1set | SG30 | 45B | FELT RING | 1 | FELT |
| 15 | SLEEVE NUT | 2 | STS304 | 50 | FRAMER | 1 | GC20 |
| 16 | BALL BEARING | 1set | STB2 | 52 | FLEXIBLE COUPLING | 1 | GC20 |
| 17 | SUBMERGED BEARING | 1 | BC6 | 53 | FLEXIBLE COUPLING | 1 | GC20 |
| 20A | UPPER SHAFT SLEEVE | 1 | STS304 | 54 | COUPLING BOLT | 8 | MILD STEEL |
| 20B | FOOT SHAFT SLEEVE | 1 | STS304 | 55 | BUFFER RING | 8 | RUBBER |
| 22 | MOUTH RING | 2 | BC6 | 60 | PUMP BED | 1 | GC20 |
| 24 | NECK BUSH | 1 | BC6 | ||||
| 25 | LANTERN RING | 1 | BC6 |
OPTION : MECHANICAL SEAL


| Item / Model | JVP-8065 | JVP-1080 | JVP-90C | JVP-180C | JVP-250C | JVP-300C | JVP-400C |
|---|---|---|---|---|---|---|---|
| R.P.M | 1450 ~ 3450 | ||||||
| Suction bore (mm) | 80 | 100 | 100 | 150 | 250 | 300 | 400 |
| Discharge bore (mm) | 65 | 80 | 80 | 150 | 250 | 300 | 400 |
| Stuffing box seal | MECHANICAL SEAL | ||||||
| Weight GC (BC) (kg) | 160(190) | 170(200) | 190(210) | 220(260) | 430(520) | 580(700) | 780(980) |

| PART NO | NAME OF PART | QUAT | MATERIAL CLASS | PART NO | NAME OF PART | QUAT | MATERIAL CLASS |
|---|---|---|---|---|---|---|---|
| 1 | CASING | 1 | GC20 | 204 | BEARING METAL | 1 | |
| 3 | IMPELLER | 1 | BC6 | 301 | COUPLING | 1 | GC20 |
| 10 | CASING COVER | 1 | GC20 | 302 | COUPLING | 1 | GC20 |
| 20 | MOUTH RING | 1 | BC6 | 305 | COUPLING BOLT | 1set | SUS |
| 21 | MOUTH RING | 1 | BC6 | 402 | PUMP BED | 1 | GC20 |
| 50 | O-RING | 1 | RUBBER | 403 | FRAME | 1 | GC20 |
| 101 | SHAFT | 1 | STS304 | 501 | MECHANICAL SEAL | 1set | |
| 103 | IMPELLER KEY | 1 | STS304 | 504 | MECHANICAL SEAL COVER | 1 | SUS |
| 104 | COUPLING KEY | 1 | SM45C | ||||
| 120 | IMPELLER NUT | 1 | STS304 | ||||
| 124 | IMPELLER WASHER | 1 | STS304 |

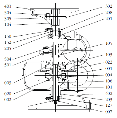
VERTICAL SINGLE STAGE CENTRIFUGAL PUMP

| Item / Model | JVP-100C-2S | JVP-150C-2S | JVP-200C-2S |
|---|---|---|---|
| R.P.M | 1450 ~ 1750 | ||
| Suction bore (mm) | 100 | 150 | 200 |
| Discharge bore (mm) | 100 | 150 | 200 |
| Stuffing box seal | GLAND PACKING or MECHANICAL SEAL | ||
| Weight GC (BC) (kg) | 320(410) | 580(700) | 810(1000) |

| PART NO | NAME OF PART | QUAT | MATERIAL CLASS | PART NO | NAME OF PART | QUAT | MATERIAL CLASS |
|---|---|---|---|---|---|---|---|
| 1 | CASING | 1 | GC20 | 152 | BEARING WASHER | 1 | SS41 |
| 2 | CASING COVER | 1 | GC20 | 201 | BALL BEARING | 1set | |
| 3 | IMPELLER | 1 | BC6 | 203 | SUBMERGED BEARING | 1 | BC6 |
| 4 | IMPELLER | 1 | BC6 | 205 | BEARING HOUSING | 1 | GC20 |
| 7 | END COVER | 1 | GC20 | 208 | BEARING COVER | 1 | GC20 |
| 20 | MOUTH RING | 2 | BC6 | 302 | COUPLING | 1set | GC20 |
| 22 | STAGE BUSH | 1 | BC6 | 304 | COUPLING RING | 1set | |
| 101 | SHAFT | 1 | STS304 | 305 | COUPLING BOLT & NUT | 1set | SS4 |
| 103 | IMPELLER KEY | 1 | STS304 | 402 | PUMP BED | 1 | GC20 |
| 104 | COUPLING KEY | 1 | SM45C | 403 | FRAME | 1 | GC20 |
| 105 | UPPER SHAFT SLEEVE | 1 | STS304 | 501 | GLAND PACKING | 1set | SEMI METALLIC |
| 106 | FOOT SHAFT SLEEVE | 1 | STS304 | 504 | GLAND | 1 | BC6 |
| 127 | SLEEVE NUT | 2 | HBsB2 | ||||
| 150 | BEARING NUT | 1 | SS41 |
OPTION : MECHANICAL SEAL
